Eigenschaften:
1.Verbesserte Anpassung an ein breites Anwendungsspektrum durch präzise Politur der Kolbenstange, was die Produktqualität erhöht und die Lebensdauer der vorderen Dichtung verlängert.
2.Optimiertes Design zur Steigerung der Produktionseffizienz.
3.In Kombination mit Unternehmensfarbgestaltung und neuem Strukturdesign: Edelstahl-Zylinder der Serie mit halbkreisförmiger Nut für feste Fixierung.
4.Verwendung einer eingebetteten Dichtung zur Vergrößerung der Druckfläche des Kolbens nach Kollision.
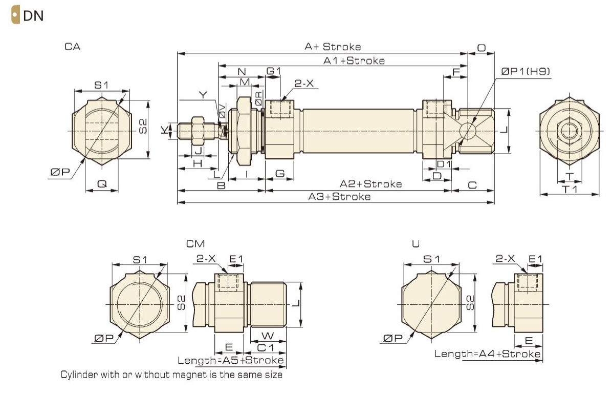
Interne Struktur
Teile
| Nummer | Name | Nummer | Name |
| 1 | Kolbenstangestange | 9 | O Ring |
| 2 | Sechseckmutter | 10 | Kolbendichtung |
| 3 | Wellenabdichtung | 11 | Gleitdichtung |
| 4 | Sechseckmutter | 12 | Magnet |
| 5 | DU-Lager | 13 | Kolbenstange |
| 6 | Vorderdeckel | 14 | Innensechskantschraube |
| 7 | Kollisionsschutzdichtung | 15 | Rückdeckel |
| 8 | Zylinderlaufbuchse |
Bestellcode

*Sensormodell JEL-01, Riementyp "Skb-bore", siehe p173 für spezifische Bestellcode.
Spezifikation
|
Bohrung (MM) |
08 |
10 |
12 |
16 |
20 |
25 |
32 |
40 |
|
Betrieb |
Doppelte Schauspiel- oder Einzelschauspiel |
|||||||
|
Arbeitsmedium |
Luft |
|||||||
|
Montage |
Basic LB FA FB SDB |
|||||||
|
Betriebsdruck |
0,1 〜1.0Mpa |
|||||||
|
Beweisdruck |
1,5 MPa |
|||||||
|
Betriebstemperaturbereich |
-20 ~ 80 ° C. |
|||||||
|
Betriebsgeschwindigkeitsbereich |
50 ~ 800 mm/s |
|||||||
|
Dämpfer |
Dichtungskissen |
|||||||
|
Anschlussterminalgröße |
M5x0.8 |
G1/8 " |
||||||
Schlaganfall
| Bohrung | Standardschlag | Max. Schlaganfall | |
| DN | 8 | 15 20 25 30 40 50 60 75 80 100 125 150 | 150 |
| 10 | 15 20 25 30 40 50 60 75 80 100 125 150 160 175 200 | 200 | |
| 12 | 15 20 25 30 40 50 60 75 80 100 125 150 160 175 200 250 | 250 | |
| DN/DSN | 16/20/25/32/40 | 15 20 25 30 40 50 60 75 80 100 125 150 160 175 200 250 275 300 | 500 |
| DND/DNJ | 8 | 15 20 25 30 40 50 60 75 80 100 | 100 |
| 10 | 15 20 25 30 40 50 60 75 80 100 | 100 | |
| 12 | 15 20 25 30 40 50 60 75 80 100 125 150 160 175 200 | 250 | |
| DND/DNJ DSND/DSNJ |
16/20/25 | 15 20 25 30 40 50 60 75 80 100 125 150 160 175 200 250 275 300 | 300 |
| 32/40 | 15 20 25 30 40 50 60 75 80 100 125 150 160 175 200 250 275 300 | 300 | |
| DS/DT | 08/10/12 | 15 20 25 30 40 50 | 50 |
| 16 | 15 20 25 30 40 50 60 75 80 100 | 100 | |
| 20/25/32/40 | 15 20 25 30 40 50 60 75 80 100 125 150 | 150 | |
Gesamtdimension

Dimension
| Bohrung \ Symbol | A | A1 | A2 | A3 | A4 | A5 | B | C | C1 | D | D1 | E | E1 | F | G | G1 | H | I | ||||||||||
| 8 | 76 | 64 | 46 | 86 | 74 | 86 | 28 | 12 | 12 | 10 | 5.5 | 10 | 5.5 | 6 | 10 | 5.5 | 12 | 12 | ||||||||||
| 10 | 76 | 64 | 46 | 86 | 74 | 86 | 28 | 12 | 12 | 10 | 5.5 | 10 | 5.5 | 6 | 10 | 5.5 | 12 | 12 | ||||||||||
| 12 | 91 | 74 | 50 | 105 | 88 | 105 | 38 | 17 | 17 | 10 | 6 | 10 | 6 | 9 | 10 | 6 | 16 | 17 | ||||||||||
| 16 | 98 | 82 | 55 | 111 | 92 | 111 | 37 | 19 | 19 | 10.5 | 6 | 10.5 | 6 | 9 | 10.5 | 6 | 16 | 16 | ||||||||||
| 20 | 115 | 95 | 64 | 128 | 107 | 128 | 43 | 21 | 21 | 14 | 7.5 | 14 | 7.5 | 12 | 14 | 7.5 | 20 | 18 | ||||||||||
| 25 | 126 | 104 | 66 | 137 | 116 | 137 | 50 | 21 | 21 | 15 | 8 | 15 | 8 | 12 | 15 | 8 | 22 | 22 | ||||||||||
| 32 | 135 | 113 | 72 | 147 | 120 | 132 | 48 | 27 | 12 | 17 | 8.5 | 17 | 8.5 | 15 | 17 | 8.5 | 22 | 18 | ||||||||||
| 40 | 138 | 115 | 72 | 150 | 123 | 136 | 51 | 27 | 14 | 16 | 8 | 16 | 8 | 15 | 16 | 8 | 23 | 20 | ||||||||||
| Bohrung \ Symbol | J | K | L | M | N | O | P | P1 | Q | R | S1 | S2 | T | T1 | X | V | W | Y | ||||||||||
| 8 | 6 | M4 × 0,7 | M12 × 1,25 | 6 | 16 | 10 | 17 | 4 | 8 | 12 | 15 | 15 | 7 | 17 | M5 × 0,8 | 4 | 9.3 | - | ||||||||||
| 10 | 6 | M4 × 0,7 | M12 × 1,25 | 6 | 16 | 10 | 17 | 4 | 8 | 12 | 15 | 15 | 7 | 17 | M5 × 0,8 | 4 | 9.3 | - | ||||||||||
| 12 | 5 | M6 × 1 | M16 × 1,5 | 6 | 22 | 14 | 21 | 6 | 12 | 16 | 19 | 19 | 10 | 24 | M5 × 0,8 | 6 | 14 | 5 | ||||||||||
| 16 | 5 | M6 × 1 | M16 × 1,5 | 6 | 21 | 13 | 21 | 6 | 12 | 16 | 19 | 19 | 10 | 24 | M5 × 0,8 | 6 | 15.5 | 5 | ||||||||||
| 20 | 6 | M8 × 1,25 | M22 × 1,5 | 7 | 23 | 13 | 30 | 8 | 16 | 22 | 27 | 28.5 | 14 | 29 | G1/8 | 8 | 17.5 | 6 | ||||||||||
| 25 | 6 | M10 × 1,25 | M22 × 1,5 | 7 | 28 | 11 | 30 | 8 | 16 | 22 | 27 | 28.5 | 17 | 29 | G1/8 | 10 | 17.5 | 8 | ||||||||||
| 32 | 6 | M10 × 1,25 | M27 × 2 | 9 | 26 | 12 | 38 | 10 | 20 | 27 | 35 | 36.5 | 17 | 36 | G1/8 | 12 | 8 | 10 | ||||||||||
| 40 | 8 | M14 × 1,5 | M33 × 2 | 9 | 28 | 12 | 45 | 10 | 20 | 33 | 42 | 43.5 | 22 | 45 | G1/4 | 16 | 10 | 14 | ||||||||||
Gesamtdimension
Dimension
|
Symbol |
A |
A1 |
A2 |
A3 |
A4 |
A5 |
||||||||||||
|
Bohrung/Schlaganfall |
0-50 |
50-100 |
100-150 |
0-50 |
50-100 |
100-150 |
0-50 |
50-100 |
100-150 |
0-50 |
50-100 |
100-150 |
0-50 |
50-100 |
100-150 |
0-50 |
50-100 |
100-150 |
|
8 |
101 |
- |
- |
89 |
- |
- |
71 |
- |
- |
111 |
- |
- |
99 |
- |
- |
111 |
- |
- |
|
10 |
101 |
- |
- |
89 |
- |
- |
71 |
- |
- |
111 |
- |
- |
99 |
- |
- |
111 |
- |
- |
|
12 |
116 |
- |
- |
99 |
- |
- |
75 |
- |
- |
130 |
- |
- |
113 |
- |
- |
130 |
- |
- |
|
16 |
123 |
148 |
- |
107 |
132 |
- |
80 |
105 |
- |
136 |
161 |
- |
117 |
142 |
- |
136 |
161 |
- |
|
20 |
140 |
165 |
190 |
120 |
145 |
170 |
89 |
114 |
139 |
153 |
178 |
203 |
132 |
157 |
182 |
153 |
178 |
203 |
|
25 |
151 |
176 |
201 |
129 |
154 |
179 |
91 |
116 |
141 |
162 |
187 |
212 |
141 |
166 |
191 |
162 |
187 |
212 |
|
32 |
160 |
185 |
210 |
138 |
163 |
188 |
97 |
122 |
147 |
172 |
197 |
222 |
145 |
170 |
195 |
157 |
182 |
207 |
|
40 |
163 |
188 |
213 |
140 |
165 |
190 |
97 |
122 |
147 |
175 |
200 |
225 |
148 |
173 |
198 |
161 |
186 |
211 |
|
Bohrung/Symbol |
B |
C |
C1 |
D |
D1 |
E |
E1 |
F |
G |
G1 |
H |
I |
J |
K |
L |
|
8 |
28 |
12 |
12 |
10 |
5.5 |
10 |
5.5 |
6 |
10 |
5.5 |
12 |
12 |
6 |
M4x0.7 |
M12X1.25 |
|
10 |
28 |
12 |
12 |
10 |
5.5 |
10 |
5.5 |
6 |
10 |
5.5 |
12 |
12 |
6 |
M4x0.7 |
M12X1.25 |
|
12 |
38 |
17 |
17 |
10 |
6 |
10 |
6 |
9 |
10 |
6 |
16 |
17 |
5 |
M6xl |
M16X1.5 |
|
16 |
37 |
19 |
19 |
10.5 |
6 |
10.5 |
6 |
9 |
10.5 |
6 |
16 |
16 |
5 |
M6xl |
M16X1.5 |
|
20 |
43 |
21 |
21 |
14 |
7.5 |
14 |
7.5 |
9 |
14 |
7.5 |
20 |
18 |
6 |
M8x1.25 |
M22X1.5 |
|
25 |
50 |
21 |
21 |
15 |
8 |
15 |
8 |
12 |
15 |
8 |
22 |
22 |
6 |
M10x1.25 |
M22X1.5 |
|
32 |
48 |
27 |
12 |
17 |
8.5 |
17 |
8.5 |
15 |
17 |
8.5 |
22 |
18 |
6 |
M10x1.25 |
M27X2 |
|
40 |
51 |
27 |
14 |
16 |
8 |
16 |
8 |
15 |
16 |
8 |
23 |
20 |
8 |
M14x1.5 |
M33x2 |
|
Bohrung/Symbol |
M |
N |
O |
P |
P1 |
Q |
R |
S1 |
S2 |
T |
T1 |
X |
V |
W |
Y |
|
8 |
6 |
16 |
10 |
17 |
4 |
8 |
12 |
15 |
15 |
7 |
17 |
M5x0.8 |
4 |
9.3 |
|
|
10 |
6 |
16 |
10 |
17 |
4 |
8 |
12 |
15 |
15 |
7 |
17 |
M5x0.8 |
4 |
9.3 |
- |
|
12 |
6 |
22 |
14 |
21 |
6 |
12 |
16 |
19 |
19 |
10 |
24 |
M5x0.8 |
6 |
14 |
5 |
|
16 |
6 |
21 |
13 |
21 |
6 |
12 |
16 |
19 |
19 |
10 |
24 |
M5x0.8 |
6 |
15.5 |
5 |
|
20 |
7 |
23 |
13 |
30 |
8 |
16 |
22 |
27 |
28.5 |
14 |
29 |
G1/8 |
8 |
17.5 |
6 |
|
25 |
7 |
28 |
11 |
30 |
8 |
16 |
22 |
27 |
28.5 |
17 |
29 |
G1/8 |
10 |
17.5 |
8 |
|
32 |
9 |
26 |
12 |
38 |
10 |
20 |
27 |
35 |
36.5 |
17 |
36 |
G1/8 |
12 |
8 |
10 |
|
40 |
9 |
28 |
12 |
45 |
10 |
20 |
33 |
42 |
43.5 |
22 |
45 |
G1/4 |
16 |
10 |
14 |
Gesamtdimension
Dimension
|
Symbol |
A |
A11 |
A2 |
A3 |
A4 |
A5 |
||||||||||||
|
Bohrung/Schlaganfall |
0-50 |
50-100 |
100-150 |
0-50 |
50-100 |
100-150 |
0-50 |
50-100 |
100-150 |
0-50 |
50-100 |
100-150 |
0-50 |
50-100 |
100-150 |
0-50 |
50-100 |
100-150 |
|
8 |
101 |
- |
- |
89 |
- |
- |
71 |
- |
- |
111 |
- |
- |
99 |
- |
- |
111 |
- |
- |
|
10 |
101 |
- |
- |
89 |
- |
- |
71 |
- |
- |
111 |
- |
- |
99 |
- |
- |
111 |
- |
- |
|
12 |
116 |
- |
- |
99 |
- |
- |
75 |
- |
- |
130 |
- |
- |
113 |
- |
- |
130 |
- |
- |
|
16 |
123 |
148 |
- |
107 |
132 |
- |
80 |
105 |
- |
136 |
161 |
- |
117 |
142 |
- |
136 |
161 |
- |
|
20 |
140 |
165 |
190 |
120 |
145 |
170 |
89 |
114 |
139 |
153 |
178 |
203 |
132 |
157 |
182 |
153 |
178 |
203 |
|
25 |
151 |
176 |
201 |
129 |
154 |
179 |
91 |
116 |
141 |
162 |
187 |
212 |
141 |
166 |
191 |
162 |
187 |
212 |
|
32 |
160 |
185 |
210 |
138 |
163 |
188 |
97 |
122 |
147 |
172 |
197 |
222 |
145 |
170 |
195 |
157 |
182 |
207 |
|
40 |
163 |
188 |
213 |
140 |
165 |
190 |
97 |
122 |
147 |
175 |
200 |
225 |
148 |
173 |
198 |
161 |
186 |
211 |
|
Bohrung/Symbol |
B |
C |
C1 |
D |
D1 |
E |
E1 |
F |
G |
G1 |
H |
I |
J |
K |
L |
|
8 |
28 |
12 |
12 |
10 |
5.5 |
10 |
5.5 |
6 |
10 |
5.5 |
12 |
12 |
6 |
M4x0.7 |
M12X1.25 |
|
10 |
28 |
12 |
12 |
10 |
5.5 |
10 |
5.5 |
6 |
10 |
5.5 |
12 |
12 |
6 |
M4x0.7 |
M12X1.25 |
|
12 |
38 |
17 |
17 |
10 |
6 |
10 |
6 |
9 |
10 |
6 |
16 |
17 |
5 |
M6x1 |
M16X1.5 |
|
16 |
37 |
19 |
19 |
10.5 |
6 |
10.5 |
6 |
9 |
10.5 |
6 |
16 |
16 |
5 |
M6x1 |
M16X1.5 |
|
20 |
43 |
21 |
21 |
14 |
7.5 |
14 |
7.5 |
9 |
14 |
7.5 |
20 |
18 |
6 |
M8x125 |
M22X1.5 |
|
25 |
50 |
21 |
21 |
15 |
8 |
15 |
8 |
12 |
15 |
8 |
22 |
22 |
6 |
M10x1.25 |
M22X1.5 |
|
32 |
48 |
27 |
12 |
17 |
8.5 |
17 |
8.5 |
15 |
17 |
8.5 |
22 |
18 |
6 |
M10x1.25 |
M27X2 |
|
40 |
51 |
27 |
14 |
16 |
8 |
16 |
8 |
15 |
16 |
8 |
23 |
20 |
8 |
M14x1.5 |
M33x2 |
|
Bohrung/Symbol |
M |
N |
O |
P |
P1 |
Q |
R |
S1 |
S2 |
T |
T1 |
X |
V |
W |
Y |
|
8 |
6 |
16 |
10 |
17 |
4 |
8 |
12 |
15 |
15 |
7 |
17 |
M5x0.8 |
4 |
9.3 |
|
|
10 |
6 |
16 |
10 |
17 |
4 |
8 |
12 |
15 |
15 |
7 |
17 |
M5x0.8 |
4 |
9.3 |
- |
|
12 |
6 |
22 |
14 |
21 |
6 |
12 |
16 |
19 |
19 |
10 |
24 |
M5x0.8 |
6 |
14 |
5 |
|
16 |
6 |
21 |
13 |
21 |
6 |
12 |
16 |
19 |
19 |
10 |
24 |
M5x0.8 |
6 |
15.5 |
5 |
|
20 |
7 |
23 |
13 |
30 |
8 |
16 |
22 |
27 |
28.5 |
14 |
29 |
GL/8 |
8 |
17.5 |
6 |
|
25 |
7 |
28 |
11 |
30 |
8 |
16 |
22 |
27 |
28.5 |
17 |
29 |
GL/8 |
10 |
17.5 |
8 |
|
32 |
9 |
26 |
12 |
38 |
10 |
20 |
27 |
35 |
36.5 |
17 |
36 |
GL/8 |
12 |
8 |
10 |
|
40 |
9 |
28 |
12 |
45 |
10 |
20 |
33 |
42 |
43.5 |
22 |
45 |
GL/4 |
16 |
10 |
14 |
Gesamtdimension
Dimension
|
Bohrung \ Symbol |
A |
A1 |
A2 |
B |
B1 |
C |
D |
G |
G1 |
H |
I |
J |
K |
L |
M |
T |
T1 |
V |
X |
|
8 |
102 |
46 |
100.5 |
16 |
14.5 |
9.3 |
- |
10 |
5.5 |
12 |
12 |
6 |
M4x0.7 |
M12X1.25 |
6 |
7 |
17 |
4 |
M5x0.8 |
|
10 |
102 |
46 |
100.5 |
16 |
14.5 |
9.3 |
- |
10 |
5.5 |
12 |
12 |
6 |
M4x0.7 |
M12X1.25 |
6 |
7 |
17 |
4 |
M5x0.8 |
|
12 |
126 |
50 |
126 |
21 |
21 |
14 |
5 |
10 |
6 |
16 |
17 |
5 |
M6x1 |
M16X1.5 |
6 |
10 |
24 |
6 |
M5x0.8 |
|
16 |
129 |
55 |
129 |
21 |
21 |
13 |
5 |
10.5 |
6 |
16 |
16 |
5 |
M6x1 |
M16X1.5 |
6 |
10 |
24 |
6 |
M5x0.8 |
|
20 |
150 |
64 |
150 |
27 |
25 |
14.5 |
6 |
14 |
7.5 |
20 |
18 |
6 |
M8x1.25 |
M22X1.5 |
7 |
14 |
29 |
8 |
G1/8 |
|
25 |
166 |
66 |
165 |
28 |
27 |
18.5 |
8 |
15 |
8 |
22 |
22 |
6 |
M10x1.25 |
M22X1.5 |
7 |
17 |
29 |
10 |
G1/8 |
|
32 |
168 |
72 |
165 |
30 |
27 |
14 |
10 |
17 |
8.5 |
22 |
18 |
6 |
M10x1.25 |
M27X2 |
9 |
17 |
36 |
12 |
G1/8 |
|
40 |
174 |
72 |
172 |
31 |
29 |
16 |
14 |
16 |
8 |
23 |
20 |
8 |
M14x1.5 |
M33x2 |
9 |
22 |
45 |
16 |
G11/4 |