Eigenschaften:
1.Verbesserte Anpassungsfähigkeit für ein breites Anwendungsspektrum durch präzise Politur der Kolbenstange, was die Produktqualität steigert und die Lebensdauer der vorderen Dichtung verlängert.
2.Optimiertes Design zur Steigerung der Produktionseffizienz.
3.In Kombination mit Unternehmensfarbplanung und neuem Strukturdesign: Edelstahlzylinder mit halbkreisförmiger Nut zur festen Fixierung.
4.Überarbeitete Fertigungstechnologie der Zylinderdämpferstruktur zur Sicherstellung der Pufferfunktion und Stabilität.
5.Erweiterter Einstellbereich der Dämpfung ermöglicht Kunden eine einfachere Feineinstellung der Dämpfungsgeschwindigkeit.
Interne Struktur
Teile
| Nummer | Name | Nummer | Name |
| 1 | Kolbenstangestange | 9 | Zylinderlaufbuchse |
| 2 | Sechseckmutter | 10 | Kolbenstange |
| 3 | Wellenabdichtung | 11 | Kolbendichtung |
| 4 | Sechseckmutter | 12 | Gleitdichtung |
| 5 | DU-Lager | 13 | Magnet |
| 6 | Vorderdeckel | 14 | Innensechskantschraube |
| 7 | Kollisionsschutzdichtung | 15 | Dämpfer |
| 8 | Dämpfer | 16 | Rückdeckel |
Bestellcode

*Sensormodell JEL-01, Galttyp "Skb-bore", wenden Sie sich bitte an p173 für den spezifischen Bestellcode.
Spezifikation
|
Bohrung (MM) |
16 |
20 |
25 |
32 |
40 |
|
Betrieb |
Doppeltwirkend |
||||
|
Arbeitsmedium |
Luft |
||||
|
Montage |
Basic LB FA FB SDB |
||||
|
Betriebsdruckbereich |
0,1 〜1.0Mpa |
||||
|
Beweisdruck |
1,5 MPa |
||||
|
Betriebstemperaturbereich |
-20 〜80 ℃ |
||||
|
Betriebsgeschwindigkeitsbereich |
50-800 mm/s |
||||
|
Dämpfer |
Einstellbarer Luftkissen |
||||
|
Anschlussterminalgröße |
M5x0.8 |
G1/8 " |
|||
Schlaganfall
| Bohrung | Standardschlag | Max. Schlaganfall | |
| MAC | 16/20/25/32/40 | 15 20 25 30 40 50 60 75 80 100 125 150 160 175 200 250 275 300 | 500 |
| MACD/MACJ | 16/20/25/32/40 | 15 20 25 30 40 50 60 75 80 100 125 150 160 175 200 250 275 300 | 300 |
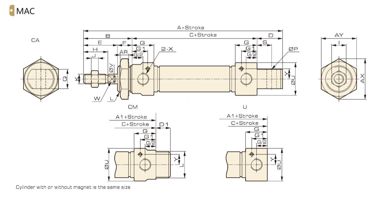
Gesamtdimension

Dimension
|
Bohrung/Symbol |
A |
A1 |
B |
C |
D |
D1 |
E |
F |
G |
G1 |
H |
I |
J |
K |
|
16 |
114 |
98 |
38 |
60 |
16 |
12 |
22 |
16 |
12 |
8 |
16 |
10 |
5 |
M6x1 |
|
20 |
137 |
116 |
40 |
76 |
21 |
12 |
28 |
12 |
18 |
13 |
20 |
12 |
6 |
M8x1.25 |
|
25 |
141 |
120 |
44 |
76 |
21 |
14 |
30 |
14 |
16 |
11 |
22 |
17 |
6 |
M10x1.25 |
|
32 |
147 |
120 |
44 |
76 |
27 |
14 |
30 |
14 |
16 |
11.5 |
22 |
17 |
6 |
M10x1.25 |
|
40 |
150 |
123 |
46 |
77 |
27 |
14 |
32 |
14 |
16.7 |
12 |
24 |
19 |
7 |
M12X1.25 |
| Bohrung/Symbol | L | P | Q | S | U | V | W | X | AR | AX | AY | Y | |||||||||||
| 16 | M16 × 1,5 | 6 | 12 | 9 | 21 | 6 | 5 | M5 × 0,8 | 6 | 27.8 | 24 | 6 | |||||||||||
| 20 | M22 × 1,5 | 8 | 16 | 12 | 27 | 8 | 6 | G1/8 | 7 | 33.5 | 29 | 8.5 | |||||||||||
| 25 | M22 × 1,5 | 8 | 16 | 12 | 30 | 10 | 8 | G1/8 | 7 | 33.5 | 29 | 9.5 | |||||||||||
| 32 | M24 × 2 | 10 | 16 | 15 | 35 | 12 | 10 | G1/8 | 9 | 37 | 32 | 11.5 | |||||||||||
| 40 | M30 × 2 | 12 | 20 | 15 | 42 | 16 | 14 | G1/8 | 9 | 46 | 40 | 14 | |||||||||||
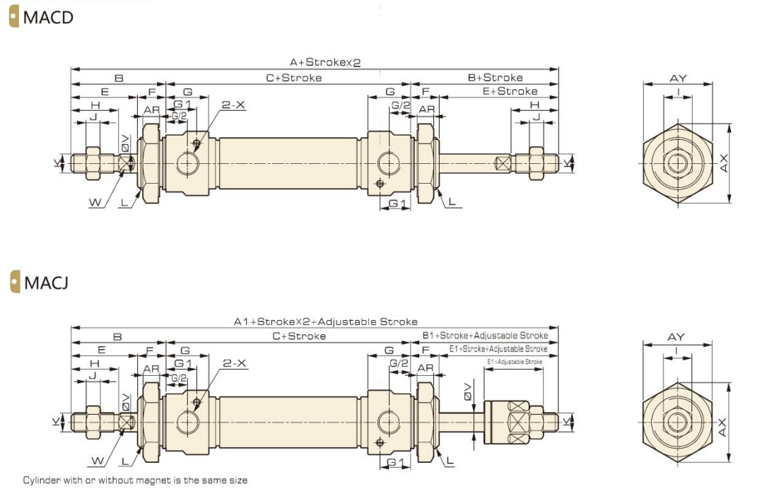
Gesamtdimension
Dimension
| Bohrung/Symbol | A | A1 | B | B1 | C | E | E1 | F | G | G1 | H | I | J | K | L | U | V | W | X | AR | AX | AY | Y |
| 16 | 136 | 135 | 38 | 37 | 60 | 22 | 21 | 16 | 12 | 8 | 16 | 10 | 5 | M6 × 1 | M16 × 1,5 | 21 | 6 | 5 | M5 × 0,8 | 6 | 27.8 | 24 | 6 |
| 20 | 156 | 153 | 40 | 37 | 76 | 28 | 25 | 12 | 18 | 13 | 20 | 12 | 6 | M8 × 1,25 | M22 × 1,5 | 27 | 8 | 6 | G1/8 | 7 | 33.5 | 29 | 8.5 |
| 25 | 164 | 161 | 44 | 41 | 76 | 30 | 27 | 14 | 16 | 11 | 22 | 17 | 6 | M10 × 1,25 | M22 × 1,5 | 30 | 10 | 8 | G1/8 | 7 | 33.5 | 29 | 9.5 |
| 32 | 164 | 161 | 44 | 41 | 76 | 30 | 27 | 14 | 16 | 11.5 | 22 | 17 | 6 | M10 × 1,25 | M24 × 2 | 35 | 12 | 10 | G1/8 | 9 | 37 | 32 | 11.5 |
| 40 | 169 | 166 | 46 | 42 | 77 | 32 | 28 | 14 | 16.7 | 12 | 24 | 19 | 7 | M12 × 1,25 | M30 × 2 | 42 | 16 | 14 | G1/8 | 9 | 46 | 40 | 14 |
Gesamtdimension
Dimension
|
Symbol |
B |
C (MA Serie) |
C (MSA/MTA -Serie) |
BB |
BC |
BD |
BE |
BF |
BP |
F |
||
|
Bohrung/Schlaganfall |
0-50 |
50-100 |
100-150 |
|||||||||
|
16 |
38 |
60 |
85 |
110 |
3 |
26 |
52 |
40 |
5.5 |
16 |
||
|
20 |
40 |
76 |
101 |
126 |
151 |
4 |
38 |
- |
64 |
50 |
6.5 |
12 |
|
25 |
44 |
76 |
101 |
126 |
151 |
4 |
38 |
- |
64 |
50 |
6.5 |
14 |
|
32 |
44 |
76 |
101 |
126 |
151 |
4 |
47 |
33 |
72 |
58 |
6.5 |
14 |
|
40 |
46 |
77 |
102 |
127 |
152 |
4 |
50 |
36 |
84 |
70 |
6.5 |
14 |
Gesamtdimension

Dimension
|
Symbol |
B |
AA (MA -Serie) |
AA (MSA/MTA -Serie) |
AB |
AC (MAl -Serie) |
AC (MSAL/MTAL -Serie) |
AE |
AF |
AH |
AL |
AP |
AQ |
AT |
F |
||||
|
Bohrung/Schlaganfall |
0-50 |
50-100 |
100-150 |
0-50 |
50-100 |
100-150 |
||||||||||||
|
16 |
38 |
98 |
123 |
148 |
- |
25 |
86 |
111 |
136 |
- |
44 |
32 |
20 |
13 |
5.5 |
6 |
3 |
16 |
|
20 |
40 |
122 |
147 |
172 |
197 |
25 |
106 |
131 |
156 |
181 |
54 |
40 |
25 |
15 |
6.5 |
8 |
3 |
12 |
|
25 |
44 |
122 |
147 |
172 |
197 |
29 |
106 |
131 |
156 |
181 |
54 |
40 |
25 |
15 |
6.5 |
8 |
3 |
14 |
|
32 |
44 |
142 |
167 |
192 |
217 |
19 |
126 |
151 |
176 |
201 |
59 |
45 |
32 |
25 |
6.5 |
8 |
4 |
14 |
|
40 |
46 |
143 |
168 |
193 |
218 |
21 |
127 |
152 |
177 |
202 |
64 |
50 |
36 |
25 |
6.5 |
8 |
4 |
14 |
Gesamtdimension
Dimension
|
Symbol |
D |
S |
Q |
CA |
CB (Serie) |
CB (MSA/MTA -Serie) |
CD |
CE |
VGI |
CH |
CT |
CP |
CQ |
||
|
Bohrung/Schlaganfall |
0-50 |
50-100 |
100-150 |
||||||||||||
|
16 |
16 |
9 |
12 |
- |
107 |
132 |
157 |
- |
23 |
- |
12 |
20 |
2 |
5.5 |
16 |
|
20 |
21 |
12 |
16 |
51 |
128 |
153 |
178 |
203 |
48 |
67 |
32 |
32 |
3 |
6.5 |
22 |
|
25 |
21 |
12 |
16 |
51 |
132 |
157 |
182 |
207 |
48 |
67 |
32 |
32 |
3 |
6.5 |
22 |
|
32 |
27 |
15 |
16 |
51 |
135 |
160 |
185 |
210 |
52 |
67 |
36 |
36 |
4 |
6.5 |
24 |
|
40 |
27 |
15 |
20 |
55 |
138 |
163 |
188 |
213 |
56 |
71 |
40 |
40 |
4 |
6.5 |
28 |
Gesamtdimension
Dimension
|
Model |
NB |
NC |
ND |
NE |
NF |
NG |
NH |
NM |
Bohrung |
16 |
20 |
25 |
32 |
40 |
|
F-M04070I |
10 |
4 |
16 |
21 |
7 |
6 |
M4x0.7 |
4 |
Anpassungsform |
|||||
|
F-M06100I |
12 |
5 |
21 |
28 |
8.5 |
8 |
M6x1 |
6 |
√ |
|||||
|
F-M08125I |
16 |
8 |
30 |
40 |
11 |
15 |
M8x1.25 |
8 |
√ |
|||||
|
F-M10125I |
20 |
10 |
40 |
50 |
15 |
18 |
M10x1.25 |
10 |
√ |
√ |
||||
|
F-M12125I |
24 |
12 |
48 |
62 |
24 |
18 |
M12X1.25 |
12 |
√ |