Eigenschaften:
1.Verbesserte Anpassungsfähigkeit für ein breites Anwendungsspektrum durch präzise Politur der Kolbenstange, was die Produktqualität erhöht und die Lebensdauer der vorderen Dichtung verlängert.
2.Optimiertes Design zur Steigerung der Produktionseffizienz.
3.In Kombination mit Unternehmensfarbplanung und neuem Strukturdesign.
4.Verwendung einer eingebetteten Dichtung zur Vergrößerung der Druckfläche des Kolbens nach Kollision.
Interne Struktur
Teile
| Nummer | Name | Nummer | Name |
| 1 | Kolbenstangestange | 9 | Zylinderlaufbuchse |
| 2 | Sechseckmutter | 10 | O Ring |
| 3 | Wellenabdichtung | 11 | Kolbendichtung |
| 4 | Sechseckmutter | 12 | Gleitdichtung |
| 5 | DU-Lager | 13 | Magnet |
| 6 | Vorderdeckel | 14 | Kolbenstange |
| 7 | O Ring | 15 | Innensechskantschraube |
| 8 | Kollisionsschutzdichtung | 16 | Rückdeckel |
Bestellcode

*Sensormodell JEL-01, Gurtype "SKL-BORE", wenden Sie sich bitte an den spezifischen Bestellcode.
Spezifikation
|
Bohrung (MM) |
16 |
20 |
25 |
32 |
40 |
|
Betrieb |
Doppelte Schauspiel- oder Einzelschauspiel |
||||
|
Arbeitsmedium |
Luft |
||||
|
Montage |
Basic LB FA FB SDB |
||||
|
Betriebsdruckbereich |
0,1 〜1.0Mpa |
||||
|
Beweisdruck |
1,5 MPa |
||||
|
Betriebstemperaturbereich |
-20 〜80 ℃ |
||||
|
Betriebsgeschwindigkeitsbereich |
50-800 mm/s |
||||
|
Dämpfer |
Dichtungskissen |
||||
|
Anschlussterminalgröße |
M5x0.8 |
G1/8 " |
G1/4" |
||
Schlaganfall
| Bohrung | Standardschlag | Max. Schlaganfall | |
| MAL/MALC | 16/20/25/32/40 | 15 20 25 30 40 50 60 75 80 100 125 150 160 175 200 250 275 300 | 500 |
| MALDEL/MALJ MALCD/MALCJ |
16/20/25/32/40 | 15 20 25 30 40 50 60 75 80 100 125 150 160 175 200 250 275 300 | 300 |
| MSAL/MTAL | 16 | 15 20 25 30 40 50 60 75 80 100 | 100 |
| 20/25/32/40 | 15 20 25 30 40 50 60 75 80 100 125 150 | 150 | |
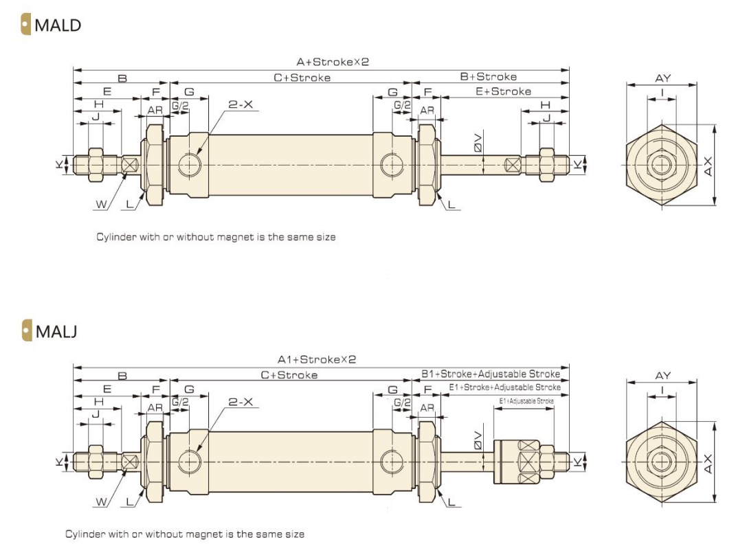
Gesamtdimension

Dimension
| Bohrung/Symbol | A | A1 | B | C | D | D1 | E | F | G | G1 | H | I | J | K | ||||||||||
| 16 | 105 | 90 | 38 | 52 | 15 | 12 | 24 | 14 | 11 | 6.5 | 16 | 10 | 5 | M6 × 1 | ||||||||||
| 20 | 131 | 110 | 40 | 70 | 21 | 12 | 28 | 12 | 16 | 12 | 20 | 12 | 6 | M8 × 1,25 | ||||||||||
| 25 | 135 | 114 | 44 | 70 | 21 | 14 | 30 | 14 | 16 | 11 | 22 | 17 | 6 | M10 × 1,25 | ||||||||||
| 32 | 141 | 114 | 44 | 70 | 27 | 14 | 30 | 14 | 16 | 11.5 | 22 | 17 | 6 | M10 × 1,25 | ||||||||||
| 40 | 165 | 138 | 46 | 92 | 27 | 14 | 32 | 14 | 22 | 15 | 24 | 19 | 7 | M12 × 1,25 | ||||||||||
| Bohrung/Symbol | L | P | Q | S | U | V | W | X | AR | AX | AY | Y | ||||||||||||
| 16 | M16 × 1,5 | 6 | 12 | 6 | 21 | 6 | 5 | M5 × 0,8 | 6 | 27.8 | 24 | 6 | ||||||||||||
| 20 | M22 × 1,5 | 8 | 16 | 12 | 27 | 8 | 6 | G1/8 | 7 | 33.5 | 29 | 9 | ||||||||||||
| 25 | M22 × 1,5 | 8 | 16 | 12 | 32 | 10 | 8 | G1/8 | 7 | 33.5 | 29 | 9 | ||||||||||||
| 32 | M24 × 2 | 10 | 16 | 15 | 39.5 | 12 | 10 | G1/8 | 9 | 37 | 32 | 11.5 | ||||||||||||
| 40 | M30 × 2 | 12 | 20 | 15 | 47 | 16 | 14 | G1/4 | 9 | 46 | 40 | 14 | ||||||||||||
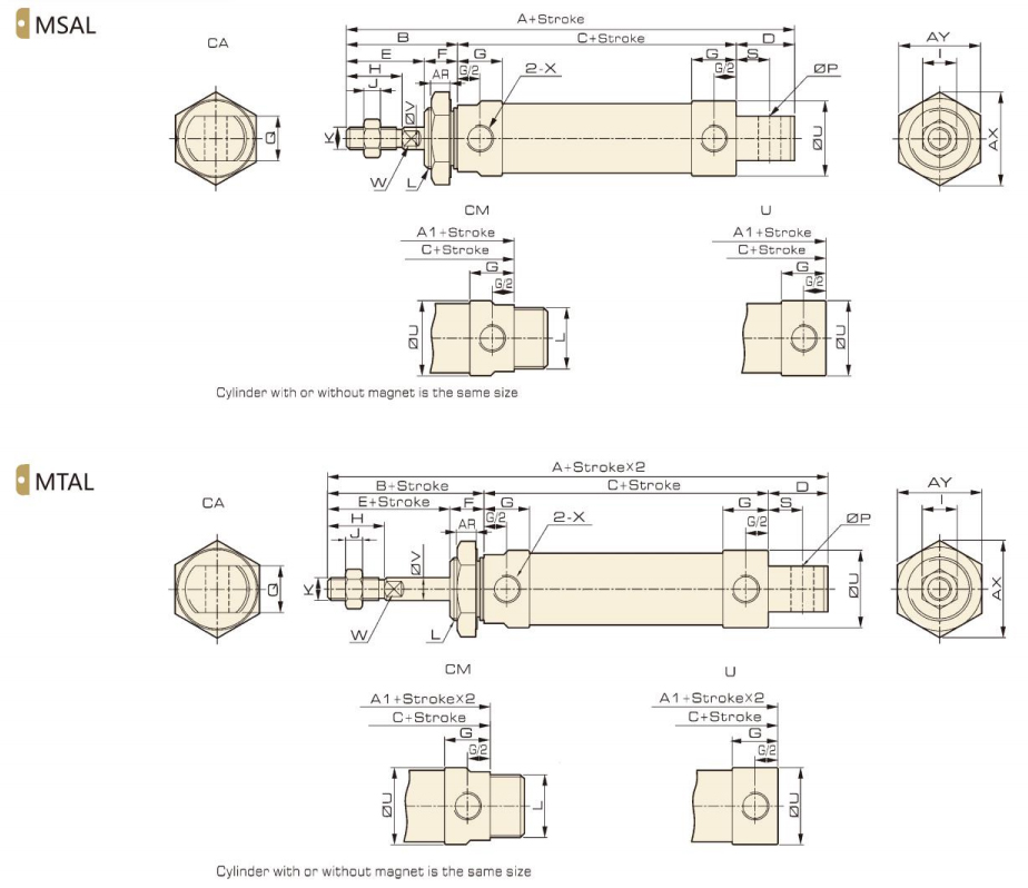
Gesamtdimension
Dimension
| Symbol | A | A1 | B | C | D | D1 | E | F | G | ||||||||||||||
| Bohrung/Schlaganfall | 0-50 | 50-100 | 100-150 | 0-50 | 50-100 | 100-150 | 0-50 | 50-100 | 100-150 | ||||||||||||||
| 16 | 130 | 155 | - | 115 | 140 | - | 38 | 77 | 102 | - | 15 | 12 | 24 | 14 | 11 | ||||||||
| 20 | 156 | 181 | 206 | 135 | 160 | 185 | 40 | 95 | 120 | 145 | 21 | 12 | 28 | 12 | 16 | ||||||||
| 25 | 160 | 185 | 210 | 139 | 164 | 189 | 44 | 95 | 120 | 145 | 21 | 14 | 30 | 14 | 16 | ||||||||
| 32 | 166 | 191 | 216 | 139 | 164 | 189 | 44 | 95 | 120 | 145 | 27 | 14 | 30 | 14 | 16 | ||||||||
| 40 | 190 | 215 | 240 | 163 | 188 | 213 | 46 | 117 | 142 | 167 | 27 | 14 | 32 | 14 | 22 | ||||||||
| Bohrung/Symbol | H | I | J | K | L | P | Q | S | U | V | W | X | AR | AX | AY | ||||||||
| 16 | 16 | 10 | 5 | M6 × 1 | M16 × 1,5 | 6 | 12 | 6 | 21 | 6 | 5 | M5 × 0,8 | 6 | 27.8 | 24 | ||||||||
| 20 | 20 | 12 | 6 | M8 × 1,25 | M22 × 1,5 | 8 | 16 | 12 | 27 | 8 | 6 | G1/8 | 7 | 33.5 | 29 | ||||||||
| 25 | 22 | 17 | 6 | M10 × 1,25 | M22 × 1,5 | 8 | 16 | 12 | 32 | 10 | 8 | G1/8 | 7 | 33.5 | 29 | ||||||||
| 32 | 22 | 17 | 6 | M10 × 1,25 | M24 × 2 | 10 | 16 | 15 | 39.5 | 12 | 10 | G1/8 | 9 | 37 | 32 | ||||||||
| 40 | 24 | 19 | 7 | M12 × 1,25 | M30 × 2 | 12 | 20 | 15 | 47 | 16 | 14 | G1/4 | 9 | 46 | 40 | ||||||||
Gesamtdimension
Dimension
|
Bohrung/Symbol |
A |
A1 |
B |
B1 |
C |
E |
E1 |
F |
G |
G1 |
H |
I |
J |
K |
L |
U |
V |
W |
X |
AR |
AX |
AY |
Y |
|
16 |
128 |
125 |
38 |
35 |
52 |
24 |
21 |
14 |
11 |
6.5 |
16 |
10 |
5 |
M6x1 |
M16XL.5 |
21 |
6 |
5 |
M5x0.8 |
6 |
27.8 |
24 |
6 |
|
20 |
150 |
147 |
40 |
37 |
70 |
28 |
25 |
12 |
16 |
12 |
20 |
12 |
6 |
M8x1.25 |
M22XL.5 |
27 |
8 |
6 |
G1/8 |
7 |
33.5 |
29 |
9 |
|
25 |
158 |
155 |
44 |
41 |
70 |
30 |
27 |
14 |
16 |
11 |
22 |
17 |
6 |
M10x1.25 |
M22XL.5 |
32 |
10 |
8 |
G1/8 |
7 |
33.5 |
29 |
9 |
|
32 |
158 |
155 |
44 |
41 |
70 |
30 |
27 |
14 |
16 |
11.5 |
22 |
17 |
6 |
M10x1.25 |
M24x2 |
39.5 |
12 |
10 |
G1/8 |
9 |
37 |
32 |
11.5 |
|
40 |
184 |
180 |
46 |
42 |
92 |
32 |
28 |
14 |
22 |
15 |
24 |
19 |
7 |
M12X1.25 |
M30x2 |
47 |
16 |
14 |
G1/4 |
9 |
46 |
40 |
14 |