Eigenschaften:
1.Kleine axiale Baugröße und kompaktere Struktur
2.Hohe Widerstandsfähigkeit gegen seitliche Belastung
3.Hohe Tragfähigkeit und Drehmomentfestigkeit
4.Zwei Anschlussmöglichkeiten für Leitungen, einfache Installation und Verwendung
Spezifikation
| Bohrungsgröße | 12 | 16 | 20 | 25 | 32 | 40 | 50 | 63 | 80 |
| Betrieb | Doppeltwirkend | ||||||||
| Arbeitsmedium | Luft | ||||||||
| Beweisdruck | 1,5 MPA | ||||||||
| Max.operierender Druck | 1,0Mpa | ||||||||
| Min. Betriebsdruck | 0,12 MPA | 0,1 MPa | |||||||
| Umgebungs- und Medientemperatur | |||||||||
| Kolbenstangegeschwindigkeit | 50 ~ 500 mm/s | 50 ~ 400 mm/s | |||||||
| Kissen | Gummiskissen an beiden Enden | ||||||||
| Schmierung | Keine Notwendigkeit | ||||||||
| Toleranz der Schlaganfalllänge |
1.5 0 mm |
||||||||
Zylindertheoretik Siehe Ausgangsblatt „Standard -Schlaganfall“
| Bohrungsgröße (mm) | Kolbenstangestangengröße (mm) | Betriebsrichtung | Kolbenfläche (mm²) | Luftdruck (MPA) | ||||||
| 0.1 | 0.2 | 0.3 | 0.4 | 0.5 | 0.6 | |||||
| 12 | 6 | Doppeltwirkend | AUS | 113.0 | 11.3 | 22.6 | 33.9 | 45.2 | 56.5 | 67.8 |
| IN | 84.8 | 8.5 | 17.0 | 25.4 | 33.9 | 42.4 | 50.9 | |||
| 16 | 8 | Doppeltwirkend | AUS | 201.0 | 20.1 | 40.2 | 60.3 | 80.4 | 100.5 | 120.6 |
| IN | 150.7 | 15.1 | 30.1 | 45.2 | 60.3 | 75.4 | 90.4 | |||
| 20 | 10 | Doppeltwirkend | AUS | 314.0 | 31.4 | 62.8 | 94.2 | 125.6 | 157.0 | 188.4 |
| IN | 235.5 | 23.6 | 47.1 | 70.7 | 94.2 | 117.8 | 141.3 | |||
| 25 | 12 | Doppeltwirkend | AUS | 490.6 | 49.1 | 98.1 | 147.2 | 196.3 | 245.3 | 294.4 |
| IN | 377.6 | 37.8 | 75.5 | 113.3 | 151.0 | 188.8 | 226.6 | |||
| 32 | 16 | Doppeltwirkend | AUS | 803.8 | 80.4 | 160.8 | 241.2 | 321.5 | 401.9 | 482.3 |
| IN | 602.9 | 60.3 | 120.6 | 180.9 | 241.2 | 301.4 | 361.7 | |||
| 40 | 16 | Doppeltwirkend | AUS | 1256.0 | 125.6 | 251.2 | 376.8 | 502.4 | 628.0 | 753.6 |
| IN | 1055.0 | 105.5 | 211.0 | 613.5 | 422.0 | 527.5 | 633.0 | |||
| 50 | 20 | Doppeltwirkend | AUS | 1962.5 | 196.3 | 392.5 | 588.8 | 785.0 | 981.3 | 1177.5 |
| IN | 1648.5 | 164.9 | 329.7 | 494.6 | 659.4 | 824.3 | 989.1 | |||
| 63 | 20 | Doppeltwirkend | AUS | 3115.7 | 311.6 | 623.1 | 934.7 | 1246.3 | 1557.8 | 1869.4 |
| IN | 2801.7 | 280.2 | 560.3 | 840.5 | 1120.7 | 1400.8 | 1681.0 | |||
| 80 | 25 | Doppeltwirkend | AUS | 5024.0 | 502.4 | 1004.8 | 1507.2 | 2009.6 | 2512.0 | 3014.4 |
| IN | 4533.4 | 453.3 | 906.7 | 1360.0 | 1360.0 | 2266.7 | 2720.0 | |||
Bestellcode

Schlaganfall
|
① |
② Lagertyp |
③ Bohrungsgröße |
⑤ Schlaganfall |
||||
|
Kompaktführer Zylinder |
M |
Reibungsring |
12 |
12 mm |
40 |
40 mm |
Siehe "Standard Schlaganfall" |
|
16 |
16mm |
50 |
50 mm |
||||
|
L |
Lineares Lager |
20 |
20 mm |
63 |
63 mm |
||
|
25 |
25mm |
80 |
80 mm |
||||
|
32 |
32 mm |
||||||
[Hinweis] Sensor Weitere Informationen finden Sie in der P173 für den spezifischen Bestellcode.
Schlaganfall/Sensor
| Bohrungsgröße (mm) | Standardschlag | Sensor |
| 12,16 | 10,20,30,40,50,75,100,125,150,175,200,250 | JEL-07R Jel-07d |
| 20,25 | 20,30,40,50,75.100.125.150.175.200.250.300.350.400.400,40,50,75.350.400. | |
| 32 ~ 80 | 25,50,75.100.125.150.175.200.250.300.350.400 |
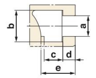
GesAmtDimension

Dimension von xx
Dimension Des T- - - - - -förmigen Schlitzes
| Bohrungsgröße | A | B | C | D | E |
| 12 | 4.4 | 7.4 | 3.7 | 2 | 6.2 |
| 16 | 4.4 | 7.4 | 3.7 | 2.5 | 6.7 |
| 20 | 5.4 | 8.4 | 4.5 | 2.8 | 7.8 |
| 25 | 5.4 | 8.4 | 4.5 | 3 | 8.2 |
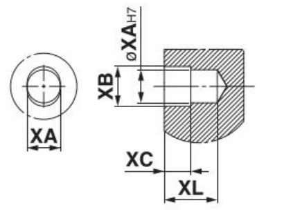
JGPM, JGPL Common Dimensions
| Bohrungsgröße (mm) | StAndardschlag (Mm) | B | C | DA | FA | FB | G | GA | GB | H | HA | J | K | L | MM | ML | NN | OA | OB | OL | P | PA |
| 12 | 10,20,30,40,50,75,100,125,150,175,200,250 | 42 | 29 | 6 | 7 | 6 | 26 | 10 | 7 | 58 | M4 | 13 | 13 | 18 | M4 × 0,7 | 10 | M4 × 0,7 | 4.3 | 8 | 4.5 | M5 × 0,8 | 13 |
| 16 | 46 | 33 | 8 | 7 | 6 | 30 | 10.5 | 7.5 | 64 | M4 | 15 | 13 | 22 | M5 × 0,8 | 12 | M5 × 0,8 | 4.3 | 8 | 4.5 | M5 × 0,8 | 14.5 | |
| 20 | 20,30,40,50,75.100.125.150.175.200.250.300.350.400.400,40,50,75.350.400. | 53 | 37 | 10 | 8 | 8 | 36 | 11.5 | 9 | 83 | M5 | 18 | 18 | 24 | M5 × 0,8 | 13 | M5 × 0,8 | 5.4 | 9.5 | 5.5 | RC1/8 | 13.5 |
| 25 | 53.5 | 37.5 | 12 | 9 | 7 | 42 | 11.5 | 10 | 93 | M5 | 21 | 21 | 30 | M6 × 1,0 | 15 | M6 × 1,0 | 5.4 | 9.5 | 5.5 | RC1/8 | 12.5 |
| Bohrungsgröße (mm) | PB | PW | Q | R | S | T | U | VA | VB | WA | Wb | X | XA | XB | YY | YL | Z | ||||||||
| Unter 30. | Über 30. unter 100st | Über 100. unter 200s | Über 200st unter 300st | Über 300 | Unter 30. | Über 30. unter den 100s | Über 100s unter 200st | Über 200st unter 300st | Über 300 | ||||||||||||||||
| 12 | 8 | 18 | 14 | 48 | 22 | 56 | 41 | 50 | 37 | 20 | 40 | 110 | 200 | - | 15 | 25 | 60 | 105 | - | 23 | 3 | 3.5 | M5 × 0,8 | 10 | 5 |
| 16 | 10 | 19 | 16 | 54 | 25 | 62 | 46 | 56 | 38 | 24 | 44 | 110 | 200 | - | 17 | 27 | 60 | 105 | - | 24 | 3 | 3.5 | M5 × 0,8 | 10 | 5 |
| 20 | 10.5 | 25 | 18 | 70 | 30 | 81 | 54 | 72 | 44 | 24 | 44 | 120 | 200 | 300 | 29 | 39 | 77 | 117 | 167 | 28 | 3 | 3.5 | M6 × 1,0 | 12 | 17 |
| 25 | 13.5 | 30 | 26 | 78 | 38 | 91 | 64 | 82 | 50 | 24 | 44 | 120 | 200 | 300 | 29 | 39 | 77 | 117 | 167 | 34 | 4 | 4.5 | M6 × 1,0 | 12 | 17 |
JGPM (Schleiflager) /A, Db, E -Abmessungen
| Bohrung Größe Mm | A | DD | E | ||||||
| Unter 50st | Über 50st unter 100st | Über 100st unter 200st | Über 200st | Unter 50st | Über 50st unter 100st | Über 100st unter 200st | Über 200st | ||
| 12 | 42 | 60.5 | 82.5 | 82.5 | 8 | 0 | 18.5 | 40.5 | 40.5 |
| 16 | 46 | 64.5 | 92.5 | 92.5 | 10 | 0 | 18.5 | 46.5 | 46.5 |
| 20 | 53 | 77.5 | 77.5 | 110 | 12 | 0 | 24.5 | 24.5 | 57 |
| 25 | 53.5 | 77.5 | 77.5 | 109.5 | 16 | 0 | 24 | 24 | 56 |
JGPL (Kugellager) /A, Db, E -Abmessungen
| Bohrungsgröße (mm) | A | DD | E | ||||||
| Unter 50st | Über 50st unter 100st | Über 100st unter 200st | Über 2005t | Unter 50st | Über 50st unter 100st | Über100 unter 200st | Über 200st | ||
| 12 | 43 | 55 | 84.5 | 84.5 | 6 | 1 | 13 | 42.5 | 42.5 |
| 16 | 49 | 65 | 94.5 | 94.5 | 8 | 3 | 19 | 48.5 | 48.5 |
| 20 | 59 | 76 | 100 | 117.5 | 10 | 6 | 23 | 47 | 64.5 |
| 25 | 65.5 | 81.5 | 100.5 | 117.5 | 13 | 12 | 28 | 47 | 64 |
Gesamtdimension
Dimension von xx
Dimension des T-förmigen Schlitzes

| Bohrungsgröße | A | B | C | D | E |
| 12 | 6.4 | 10.5 | 5.5 | 3.5 | 9.5 |
| 16 | 6.4 | 10.5 | 5.5 | 4 | 11 |
| 20 | 8.4 | 13.5 | 7.5 | 4.5 | 13.5 |
| 25 | 11 | 17.8 | 10 | 7 | 18.5 |
JGPM, JGPL Common Dimensions
| Bohrungsgröße (mm) | Standardschlag (Mm) | B | C | DA | FA | FB | G | GA | GB | H | HA | J | K | L | MM | ML | NN | OA | OB | OL | P | PA |
| 32 | 25,50,75,100,125,150,175,200,250,300,350.400 | 59.5 | 37.5 | 16 | 10 | 12 | 48 | 12 | 9 | 112 | M6 | 24 | 24 | 34 | M8 × 1,25 | 20 | M8 × 1,25 | 6.7 | 11 | 7.5 | RC1/8 | 6.5 |
| 40 | 66 | 44 | 16 | 10 | 12 | 54 | 15 | 12 | 120 | M6 | 27 | 27 | 40 | M8 × 1,25 | 20 | M8 × 1,25 | 6.7 | 11 | 7.5 | RC1/8 | 13 | |
| 50 | 72 | 44 | 20 | 12 | 16 | 64 | 15 | 12 | 148 | M8 | 32 | 32 | 46 | M10 × 1,5 | 22 | M10 × 1,5 | 8.6 | 14 | 9 | RC1/4 | 9 | |
| 63 | 77 | 49 | 20 | 12 | 16 | 78 | 15.5 | 13.5 | 162 | M10 | 39 | 39 | 58 | M10 × 1,5 | 22 | M10 × 1,5 | 8.6 | - | 9 | RC1/4 | 13 |
| Bohrungsgröße (mm) | PB | PW | Q | R | S | T | U | VA | VB | WA | Wb | X | XA | XB | YY | YL | Z | ||||||||
| Unter 25st | Über 25. unter 1005T | Über 100st unter 200st | Über 200st unter 300st | Über 300 | Unter 25st | Über 25. unter 100st | Über 100st unter 200st | Über 200st unter 300st | Über 300 | ||||||||||||||||
| 32 | 16 | 35.5 | 30 | 96 | 44 | 110 | 78 | 98 | 63 | 24 | 48 | 124 | 200 | 300 | 33 | 83 | 83 | 121 | 171 | 42 | 4 | 4.5 | M8 × 1,25 | 16 | 21 |
| 40 | 18 | 39.5 | 30 | 104 | 44 | 118 | 86 | 106 | 72 | 24 | 48 | 124 | 200 | 300 | 34 | 84 | 84 | 122 | 172 | 50 | 4 | 4.5 | M8 × 1,25 | 16 | 22 |
| 50 | 21.5 | 47 | 40 | 130 | 60 | 146 | 110 | 130 | 92 | 24 | 48 | 124 | 200 | 300 | 36 | 86 | 86 | 124 | 174 | 66 | 5 | 6 | M10 × 1,5 | 20 | 24 |
| 63 | 28 | 58 | 50 | 130 | 70 | 158 | 124 | 142 | 110 | 28 | 52 | 128 | 200 | 300 | 38 | 88 | 88 | 124 | 174 | 80 | 5 | 6 | M10 × 1,5 | 20 | 24 |
JGPM (Schleiflager) /A, DB, E -Abmessungen
| Bohrungsgröße (mm) | A | DB | E | ||||
| Unter 50st | Über 50st unter 200st | Über 200st | Unter 50st | Über 50st unter 200st | Über 200st | ||
| 32 | 75 | 93.5 | 129.5 | 20 | 15.5 | 34 | 70 |
| 40 | 75 | 93.5 | 129.5 | 20 | 9 | 27.5 | 63.5 |
| 50 | 88.5 | 109.5 | 150.5 | 25 | 16.5 | 37.5 | 78.5 |
| 63 | 88.5 | 109.5 | 150.5 | 25 | 11.5 | 32.5 | 73.5 |
JGPL (Kugellager) /A, DB, E -Abmessungen
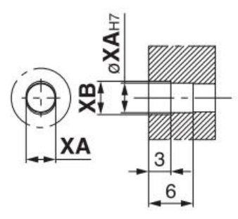
| Bohrungsgröße (mm) | XC | XL |
| 32 | 3 | 6 |
| 40 | 3 | 6 |
| 50 | 4 | 8 |
| 63 | 4 | 8 |
Gesamtdimension
Dimension von xx
Dimension des T-förmigen Schlitzes
| Bohrungsgröße | A | B | C | D | E |
| 80 | 13.3 | 20.3 | 12 | 8 | 22.5 |
JGPM, JGPL Common Dimensions
| Bohrungsgröße (mm) | Standardschlag (MM) | B | C | DA | FA | FB | G | GA | GB | GC | H | HA | J | JA | JB | JC | K | L | MM | ML | Nn | OA | OB |
| 80 | 25,50,75,100,125,150,175,200,250,300,350.400 | 96.5 | 56.5 | 25 | 16 | 24 | 91.5 | 19 | 16.5 | 14.5 | 202 | M12 | 45.5 | 38 | 7.5 | 15 | 46 | 54 | M12 × 1,75 | 25 | M12 × 1,75 | 10.6 | 17.5 |
|
Bohrungsgröße |
PB |
PW |
Q |
R |
S |
T |
U |
VA |
VB |
OL |
P |
PA |
WA |
WB |
X |
YL |
Z |
YY |
||||||||
|
Unter 30. |
Über 30. unter 100st |
Über 100st unter 200st |
Über 200st unter 300st |
Über 300 |
Unter 30. |
Über 30. unter 100st |
Über 100st unter 200st |
Über 200st unter 300st |
Über 300 |
|||||||||||||||||
|
80 |
25.5 |
74 |
52 |
174 |
75 |
198 |
156 |
180 |
140 |
3 |
RC3/8 |
14.5 |
28 |
52 |
128 |
200 |
300 |
42 |
54 |
92 |
128 |
178 |
100 |
24 |
28 |
M12X1.75 |
JGPM (Schleiflager) /A, DB, E -Abmessungen
| Bohrungsgröße | A | DB | E | ||||
| Unter 50st | Über 50st unter 200st | Über 200st | Unter 50st | Über 50st unter 200st | Über 200 | ||
| 80 | 104.5 | 131.5 | 180.5 | 30 | 8 | 35 | 84 |